Dates Are filling up Quickly

Schedule your Pool Closing Now

Arctic Spas

Hot Tubs Built for the Elements

coldtubs

Purchase The Premier Option for Cold Water Plunges and Cryotherapy Here
Appointment Image
Request a Consult
Arctic Spas
Ready to upgrade to a truly Minnesota-ready spa? Looking for a Swim Spa but not for the electric bills that come with other brands? Visit our store in Chanhassen or call us at 952-368-6070 to find out more. (Pictured is a Used Hudson for Sale - Inquire if it is still available and see it in person)!

Store Hours

Retail Store Hours:

  • Monday: 10am-6pm
  • Tuesday: 10am-6pm
  • Wednesday 9am-4pm
  • Thursday: 10am-6pm
  • Friday: 9am-4pm
  • Saturday: 9am-4pm
  • Sunday: Closed

Phone: 952-368-6070

Text: ‪612-293-8609‬

Service scheduling is unavailable weekends and after 3:00pm. Please contact them via email, voicemail, or text after these hours.

Online Orders:

952-368-6072

Find your Parts

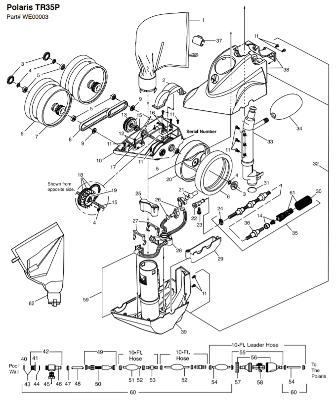
Use these part breakdowns on common pool whole goods to find the replacement parts you need. We have a parts blow up for the most common replacement parts on automatic pool cleaners, filters, pumps, heaters, and other pool and spa products.

There is also list of parts below the images that show the most common part replacement along with any substitutions that could be used.

Looking for a fitler? Use our filter finder to determine the filters used in your DE or Cartridge filter.

Parts Diagrams & Filter Finder

Are you Local? (MN)

If you are looking for parts and planning to pick them up, text us at 612-293-8609 before coming in so we can verify stock and make sure we can locate the part before coming in. We carry over 6,000 parts and some are in nearby warehouses. Texting is also the way to reach our most experienced parts experts and verify you are getting the right part!

Top Products from quality brands

Whether you need parts to keep it running, chemicals to clear it up,
or maintenance equipment to keep it in line.
We have you covered!

Coldtub

Visit our store or contact us to find out how you can get one of the cold water cryotherapy units trusted by professional athletes and teams in the NFL, NHL, NBA, Division One College Athletics, and more.